江苏中韦环保机械有限公司
江苏中韦环保机械有限公司
各类输送机、搅拌整合设备、非标阀门类等
咨询热线:
15380588038
网站首页
走进中韦
产品展示
资质荣誉
新闻中心
厂房设备
在线留言
联系我们
走进中韦
产品展示
销售平台
新闻中心
在线留言
联系我们
产品分类
模块化设备
机加工件
焊接件
碎渣机
垃圾焚烧发电厂输灰系统
冶金企业、热电厂除尘输灰系统
刮板输送机械系列
斗式提升机系列
螺旋输送机系列
皮带输送设备
其他机械设备
膨胀节系列
烟道风阀系列
卸料阀系列
闸板阀系列
SF系列双层卸灰阀系列
HXF系列三通换向阀
破碎机系列
除臭系统
联系我们
Contact Us
咨询热线:
15380588038
电 话:
0515-83169555
地 址:
盐城市亭湖区盐东镇创富大道6号(科技园5#-6#)
邮 箱:
jsuzw001@163.com
网 址:
http://www. jszwhbjx.com
刮板输送机械系列
您当前的位置:
网站首页
>
产品展示
>
刮板输送机械系列
查看分类
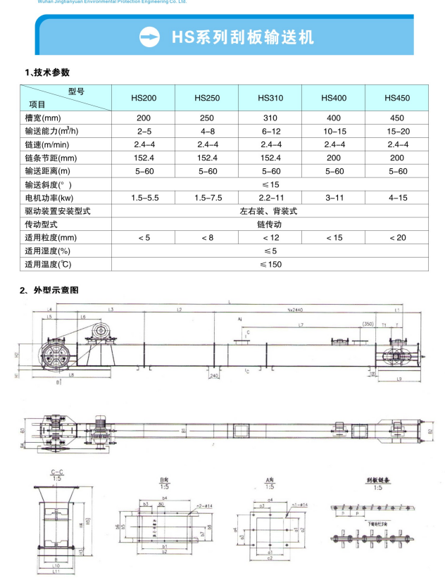
HS系列刮板输送机产品图
上一条:
没有啦!
下一条:
YD系列埋刮板输送机
电话:
0515-88868809
地址:盐城市亭湖区盐东镇创富大道6号(科技园5#-6#)
版权所有 © 2020 江苏中韦环保机械有限公司
苏ICP备19061054号-1
苏公网安备32090202001443号
主营产品: 各类输送机、搅拌整合设备、非标阀门类、补偿器(膨胀节)、管道风门、飞灰包装设备
版权所有 © 2019 江苏中韦环保机械有限公司
地址: 盐城市亭湖区盐东镇创富大道6号(科技园5#-6#)
网站首页
电话联系
在线咨询
联系我们
更多..
返回